PEM® PLC - Self-clinching lock nuts with UNC thread, for metallic materials

BN 28421
Product image of PEM® PLC - Self-clinching lock nuts with UNC thread, for metallic materials
  1. Product image of PEM® PLC - Self-clinching lock nuts with UNC thread, for metallic materials
  2. Technical drawing with dimensions of PEM® PLC - Self-clinching lock nuts with UNC thread, for metallic materials
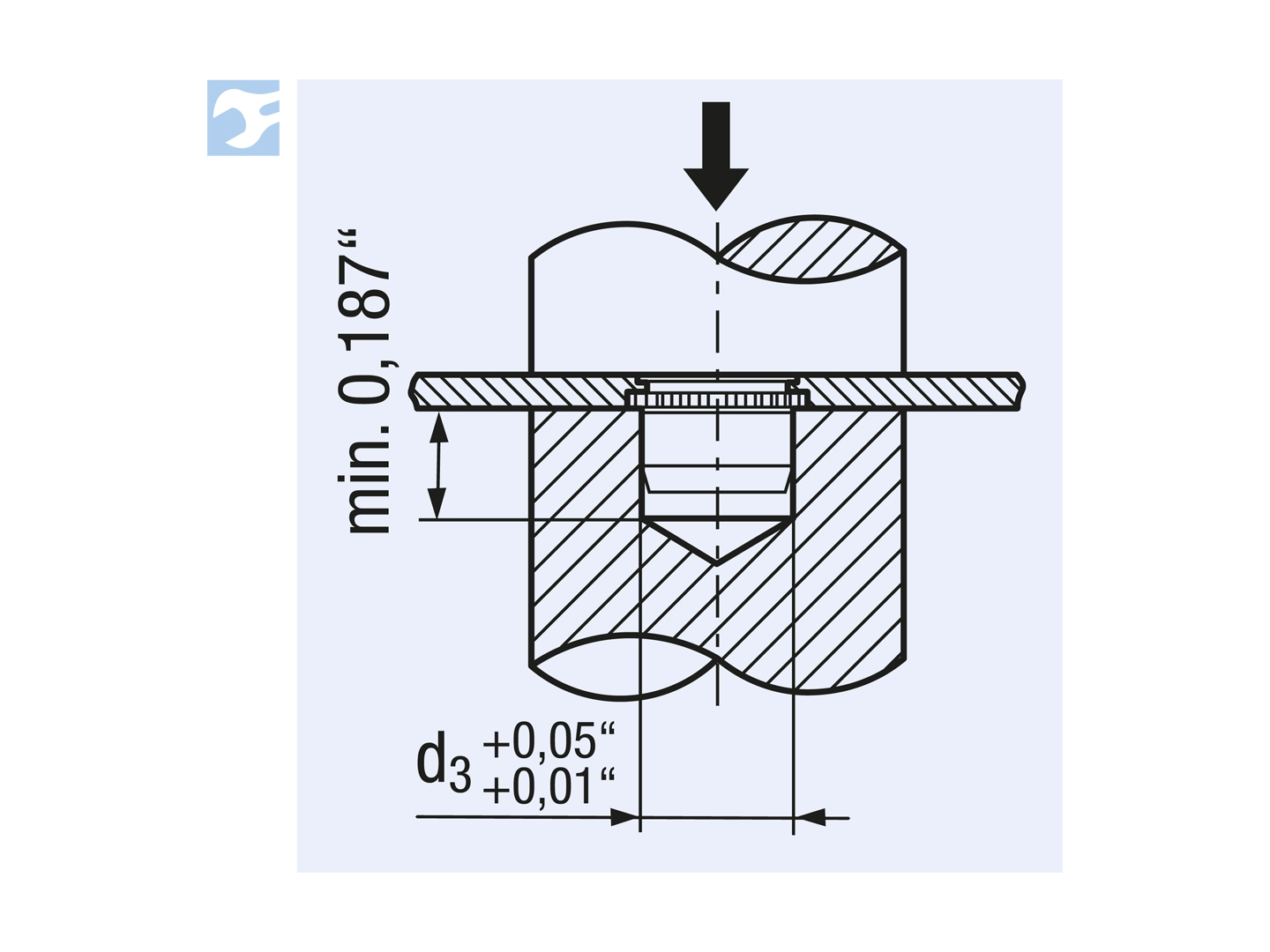
  3. Assembly illustration for PEM® PLC - Self-clinching lock nuts with UNC thread, for metallic materials
Overlay

1

/3
Product image of PEM® PLC - Self-clinching lock nuts with UNC thread, for metallic materials
  • Product image of PEM® PLC - Self-clinching lock nuts with UNC thread, for metallic materials
  • Technical drawing with dimensions of PEM® PLC - Self-clinching lock nuts with UNC thread, for metallic materials
  • Assembly illustration for PEM® PLC - Self-clinching lock nuts with UNC thread, for metallic materials

PEM® PLC - Self-clinching lock nuts with UNC thread, for metallic materials

BN 28421
Brand
PEM®
Brandtype
PLC
Material
Stainless steel
Material type
(AISI 300)
Base coat
clear passivated

Description

Product features

  • Locking element: inch - nylon blue
  • For use in sheet hardness max. HRB 70

Assembly

Variants