Selection criteria for self-tapping Ensat® inserts
Download
Grouping of materials, types and finishes

| Material  | Base material | Recommended works standards | Recommended Ensat® version | 
| I | Tempered light metal alloys more than 350 N/mm2 tensile strength | 302/337 307/338 308 | Steel case-hardened zinc plated | 
| Cast iron in higher hardness range. Brass, bronze and other non-ferrous metals. | 302 | Steel case-hardened zinc plated | |
| II | Light metal alloys up to 350 N/mm2 tensile strength | 302/337 307/338 308 | Steel case-hardened zinc plated | 
| Cast iron | 302 | Steel case-hardened zinc plated | |
| Brittle-rigid condensation resin plastics and high-grade synthetic resins | 302/337 307/338 308 | Steel case-hardened zinc plated or Brass | |
| III | Light metal alloys up to 300 N/mm2 tensile strength | 302/337 307/338 308 | Steel case-hardened zinc plated | 
| Soft cast iron | 302 | Steel case-hardened zinc plated | |
| Condensation resin plastics of medium hardness | 302/337 307/338 308 | Steel case-hardened zinc plated | |
| 302 | Brass | ||
| IV | Light metal alloys up to 250 N/mm2 tensile strength | 302 | Steel case-hardened zinc plated | 
| Soft metals and light metal alloys up to 180 N/mm2 tensile strength | 302 | Steel case-hardened zinc plated or stainless steel A1 | |
| Soft condensation resin plastics laminates with resin bond | 302 | Steel case-hardened zinc plated or  | |
| Soft polymerisation-, polycondensation- and polyaddition plastic materials Hardwoods | 302 | Steel case-hardened zinc plated or Brass or stainless steel A1 | |
| V | Hardwoods | 309 | Brass | 
| VI | Softwoods and plywood Wood fiber materials | 309 | Brass | 
| VII | Soft polymerisation-, polycondensation- and polyaddition plastic materials | 305 | Brass | 
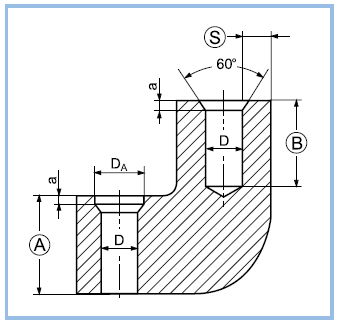
Recommended pilot hole diameters and material thickness / blind hole depths for threaded inserts Ensat®
Hard and brittle materials require a larger hole than soft and flexible ones. Whenever necessary, the most suitable hole diameter should be determined through application testing.
Ensat® Type 302

Ensat® Type 307/308/337/338

Ensat® Type 309

Ensat® Type 305

The pilot hole can be drilled or formed during die-casting
Countersinking the hole is usually not necessary; however it would facilitate installation and possibly prevent damage to the workpiece surface. It also would enable the insert to be flush with the work-piece.
Material thickness:
Length of Ensat® = shortest permissible material thickness A
Blind hole depth: Minimum depth B
Minimum wall thickness: The wall thickness is dependant upon
the hardness and / or strength of the workpiece material.
Recommendation for light metals: 	S ≥ 0,2 to ≥ 0,6 d2
Recommendation for cast iron:		S ≥ 0,3 to ≥ 0,5 d2
d2 = Outside diameter [mm] of Ensat® insert

DA = + 0,2 to 0,4 mm
a = 1 to 1,5 x the pitch of the external thread
