Ensat® 自攻螺纹套型号的选择
材料、型号、表面处理分类

| 材料 | 工件材料 | 推荐工厂标准 | 推荐 Ensat® 材料 | 
| I | 调质处理的轻金属合金抗拉强度大于350N/mm2 | 302/337 307/338 308 | 碳钢、表面硬化 镀锌 | 
| 硬度范围较大的铸铁黄铜、青铜以及其他非铁金属 | 302 | 碳钢、表面硬化 镀锌 | |
| II | 轻金属合金抗拉强度接近于350N/mm2 | 302/337 307/338 308 | 碳钢、表面硬化 镀锌 | 
| 铸铁 | 302 | 碳钢、表面硬化 镀锌 | |
| 脆硬的缩合树脂塑料和优质的合成树脂 | 302/337 307/338 308 | 碳钢、表面硬化 镀锌 或黄铜 | |
| III | 轻金属合金抗拉强度接近于300N/mm2 | 302/337 307/338 308 | 碳钢、表面硬化 镀锌 | 
| 软铸铁 | 302 | 碳钢、表面硬化 镀锌 | |
| 中等硬度的缩合树脂塑料 | 302/337 307/338 308 | 碳钢、表面硬化 镀锌 | |
| 302 | 黄铜 | ||
| IV | 轻金属合金抗拉强度接近于250N/mm2 | 302 | 碳钢、表面硬化 镀锌 | 
| 软金属和轻金属合金抗拉强度接近于180N/mm2 | 302 | 碳钢、表面硬化 镀锌或 不锈钢A1 | |
| 软的缩合树脂塑料带树脂结合的层压材料 | 302 | 碳钢、表面硬化 | |
| 软的聚合、缩聚和层聚合塑料硬木 | 302 | 碳钢、表面硬化 镀锌或黄铜或不锈钢A1 | |
| V | 硬木 | 309 | 黄铜 | 
| VI | 软木或胶合板 木纤维材料 | 309 | 黄铜 | 
| VII | 软的聚合、缩聚和层聚合塑料 | 305 | 黄铜 | 
Ensat® 自攻螺纹套安装孔直径、材料厚度和盲孔深度推荐
安装孔直径的推荐值决定于根据Ensat®的外螺纹以及工件材料的强度和物理特性。
硬而脆的材料要比软而韧的材料的开孔尺寸大。必要时,可以通过应用测试来确定最适合的孔径。
        硬而脆的材料要比软而韧的材料的开孔尺寸大。必要时,可以通过应用测试来确定最适合的孔径。
302型Ensat®

307/308/337/338型Ensat®

309型Ensat®

305型Ensat®

安装孔可以钻,也可以在铸造中成型
孔倒角一般是没有必要的,但它有助于安装、防止工件表面损坏,而且能够使自攻螺套与工件平齐。
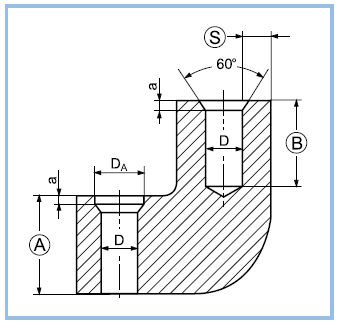
工件材料厚度:
Ensat® 的长度 = 允许的最小工件材料厚度 A
盲孔深度: 最小深度 B
最小壁厚: 壁厚取决于工件材料的硬度和(或)强度。
轻金属的推荐值: 	S ≥ 0,2 to ≥ 0,6 d2
铸铁的推荐值:		S ≥ 0,3 to ≥ 0,5 d2
d2 = Ensat® 自攻螺套的外径 [mm]

DA = + 0,2 to 0,4 mm
a = 1 至 1,5 x 倍外螺纹的螺距
